- Product Introduction
The three-axis MEMS gyroscope can measure the angular rate and angle of the carrier in the roll, pitch, and yaw directions in real time and output the data. This model features a small size, low power consumption, light weight, and high reliability, making it suitable for various application fields.
1.1 Main Functions
Measure the angles and angular rates of the carrier in the roll, pitch, and yaw directions and output the data in real time.
1.2 Main Features
- Independent, comprehensive, and continuous output of measured angles and angular rates in three axes.
- Short start-up time.
- Digital output.
- Small size, low power consumption, light weight, simple interface, and easy installation and use.
1.3 Reference Standards
- GJB 2426A-2004 Fiber Optic Gyroscope Testing Method
- GJB 585A-1998 Inertial Technology Terminology
- Gyroscope Technical Specifications
- Performance Technical Specifications
Table 1 Performance Technical Specifications
| Parameter | X/Y/Z | Value | Notes |
| Range | X/Y/Z | ±300°/s | |
| Scale Factor | X/Y/Z | 1 | |
| Full-Temperature Scale Factor Nonlinearity | X/Y/Z | 500ppm | |
| Full-Temperature Scale Factor Error | X/Y/Z | ≤5000ppm | Ambient≤2000ppm |
| Misalignment Angle | X/Y/Z | ≤10′ | |
| Zero Bias (Full-Temperature) | X/Y/Z | ≤±0.2°/s | (Assessment method according to national military standards) Power-on static time is no more than 2s |
| Zero Bias Stability | X/Y/Z | ≤36°/h | (1σ, 10s smoothing) |
| Zero Bias Repeatability | X/Y/Z | ≤36°/h | (1σ, 10s smoothing) |
| Zero Bias G-Sensitivity | X/Y/Z | ≤36°/h/g | |
| Angle Random Walk | X/Y/Z | ≤0.3°/√h | |
| Bandwidth (-3dB) | X/Y/Z | >100 Hz |
| Interface Characteristics | |||
| Interface Type | RS-422 | Baud Rate | 460800bps( Customizable ) |
| Data Format | 8 data bits, 1 start bit, 1 stop bit, no parity | ||
| Data Update Rate | 100Hz | ||
| Environmental Adaptability | |||
| Operating Temperature Range | -40℃~+70℃ | ||
| Storage Temperature Range | -45℃~+80℃ | ||
| Vibration (g) | 10gms,20Hz~2000Hz | ||
| Shock (g) | Half-sine 200g,6ms | ||
| Electrical Characteristics | |||
| Input Voltage (VDC) | +5V | ||
| Physical Characteristics | |||
| Dimensions(mm) | 25x25x10 | ||
| Weight (g) | ≤30g | ||
- Communication Interface Requirements
The MEMS gyroscope outputs through a cable with a length of 10±1cm (customizable). If a connector is required, it should be selected and soldered by the user.
Table 2 Interface Definition
| Lead Number | Identifier | Function | Color | Notes |
| 1 | +V | +5V | Red | |
| 2 | GND | Ground | Black | |
| 3 | RX+ | Receive+ | Blue | |
| 4 | RX- | Receive- | White | |
| 5 | TX+ | Transmit+ | Yellow | |
| 6 | TX- | Transmit- | Green |
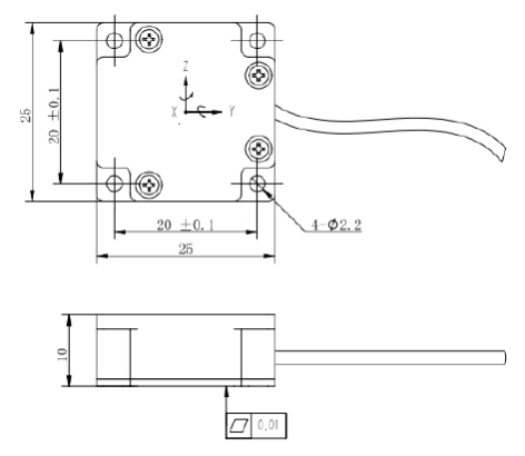
2.2 Dimensions and Mechanical Interface
The gyroscope component dimensions are 25mm×25mm×10mm. The mechanical structure of the gyroscope component is shown in Figure 1 below.

Figure 1: Three-Axis Gyroscope Component Dimensions
